您好!欢迎光临北京核中警消防技术有限责任公司,我们竭诚为您服务!

北京核中警消防技术有限责任公司

致力于产品的改进新技术的不断研发

服务咨询热线:

400-6086-119

HJ9508A输入输出模块

产品分类: 报警按钮模块及隔离器系列

立即咨询
产品详情

产品名称:HJ9508A型

性能特点:

用于双动作消防联动设备的控制,例如:防火卷帘门、水泵、排烟风机等。同时可接收联动设备动作后的回答信号。
*  内置CPU、二总线、无极性;
*  可提供两组常开、常闭无源触点,触点容量为DC 24V/2A;
*  便于施工,模块和底座采用接插方式;
*  占用两个连续地址,相互独立。第二个地址号为第一个地址号加1。

技术指标:

工作电压 DC15-26V 环境温度 -10~50℃
工作电流 ≤0.7mA 环境湿度 95%RH(40±2℃)
动作电流 ≤2mA 外形尺寸(mm) 80×100×42
安装方式 插拔式安装    

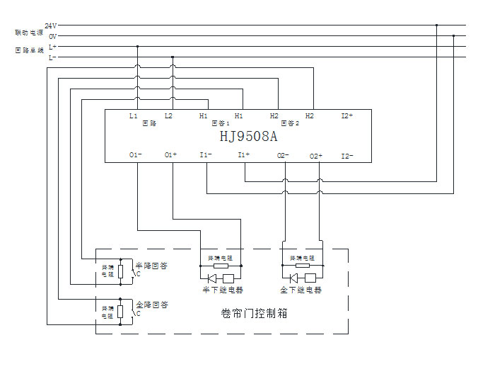
外形尺寸及安装接线:


接线说明:
L1、L2为总线;                       
H1、H1:反馈一输入端子;
H2、H2:反馈二输入端子;
O1+、O1-:动作一输出端子;                      
I1+、I1-:动作一DC24V输入端子,
I1+接+24V,I1-接0V;                         
O2+、O2-:动作二输出端子;
I2+、I2-:动作二DC24V输入端子,IN2+接+24V,IN2-接0V。   

应用方法:

HJ9508A控制防火卷帘门接线方法

联系我们
北京核中警消防技术有限责任公司
客服QQ:1204540692
2232756027
2671172505
服务热线:400-6086-119
电子邮件:hollyjan@126.com
公司地址:北京市通州区中关村科技园区通州园金桥科技产业基地景盛南四街13号9幢2层201