您好!欢迎光临北京核中警消防技术有限责任公司,我们竭诚为您服务!

北京核中警消防技术有限责任公司

致力于产品的改进新技术的不断研发

服务咨询热线:

400-6086-119

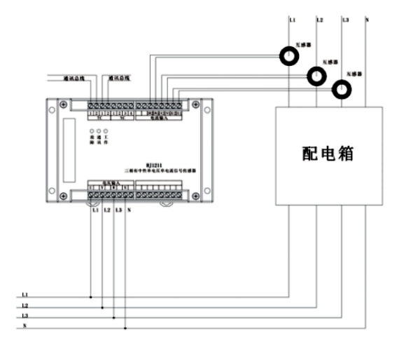
HJ1211三相有中性电压电流信号传感器

产品分类: 消防电源监控系列

立即咨询
产品详情

产品型号:HJ1211

产品描述:

HJ1211三相有中性电压电流信号传感器
可监测三相四线交流电压信号和电流信号
具有故障、通讯、工作状态指示灯
采用导轨式安装

功能特点:

灵敏度高:能在第一时间真实反映被监控设备的电源状态
测量精度高:所有监控传感器测量精度均达到5%(额定值)
监控方便:采用T—BUS无极性二总线通讯方式
抗扰能力强:完善的电磁兼容性设计,具有极强的抗电磁干扰能力
监测范围大:有效通讯距离可达1000m
易安装维护:模块化的设计,导轨式安装,安装和维护方便
灵活配置:根据监控设备具体情况灵活组合
使用安全:内部采用24V电源,降低使用危险

技术参数:

额定工作电压:DC 24V
电压测量范围:AC 60-350V(相地电压)
电流测量范围:AC 0-600A(一次侧),AC 0-5A(二次侧)
通讯方式:两总线
有效通讯距离:1000m
壳体材料:阻燃
外壳防护等级:IP30
接线壳防护等级:IP30
外形尺寸:145*93*43.5mm
工作温度:0℃~+40℃
相对湿度:≤95%
电磁兼容:GB/T17626-2-3-4-5-6
测量精度:5%(额定值)

型号功能对照表:

型号 HJ1211 HJ1212 HJ1213 HJ1214 HJ1215 HJ1216 HJ1217 HJ1218
检测值 交流电压电流 交流双电压 交流双电压单电流 交流电压 交流电压电流 交流双电压 交流双电压单电流 交流电压
供电方式 三相有中性 三相无中性
监控对象

水泵、风机、电机等

 

 

联系我们
北京核中警消防技术有限责任公司
客服QQ:1204540692
2232756027
2671172505
服务热线:400-6086-119
电子邮件:hollyjan@126.com
公司地址:北京市通州区中关村科技园区通州园金桥科技产业基地景盛南四街13号9幢2层201